تصویر سنسور القایی قطر8
تصویر سنسور القایی قطر8
تصویر سنسور القایی قطر8
تصویر سنسور القایی قطر8

سنسور القایی قطر8 PEPPERL+FUCHS

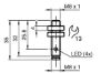
NBB2-8GM20-E3-V3-Y0220 سنسور القایی مزایای کلیدی در یک نگاه 2 میلی‌متر هم‌سطح افزایش فاصله عملیاتی دامنه دمایی گسترده -40 ... +85 درجه سانتی‌گراد رزوه تمام طول

تولید کننده: PEPPERL+FUCHS
کد کالا: NBB2-8GM20-E3-V3-Y0220
تماس بگیرید

عملکرد کلید معمولاً بسته (NC)
نوع خروجی PNP
فاصله عملیاتی نامی sn 2 میلی‌متر
نصب توکار
قطبیت خروجی DC
فاصله عملیاتی تضمینی sa 0 ... 1.62 میلی‌متر
قطعه فعال‌کننده از فولاد نرم، مثلاً 1.0037، SR235JR (قبلاً St37-2)
8 میلی‌متر × 8 میلی‌متر × 1 میلی‌متر
ضریب کاهش rAl 0.4
ضریب کاهش rCu 0.3
ضریب کاهش r304 0.75
ضریب کاهش rBrass 0.45
نوع خروجی 3 سیمه

نظر خودتان را بنویسد
  • تنها کاربرانی که ثبت نام کرده اند می توانند نظر بنویسند